Product Summary
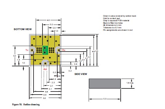
The ACMD-7401-TR1 is a miniaturized duplexer designed using Agilent Film Bulk Acoustic Resonator (FBAR) technology. The ACMD-7401-TR1 is the first duplexer built with Agilent innovative Microcap bonded-wafer chip scale packaging technology. This ACMD-7401-TR1 process allows the ultra small filters to be assembled in a molded chip-on-board (MCOB) module that is less than 1.4 mm high with a 5 x 5 mm footprint. Agilent thin-film Bulk Acoustic Resonator (FBAR) technology makes possible high Q filters at a fraction their usual size. The excellent power handling of the bulk mode resonators supports the high output powers needed in PCS handsets, with virtually no added distortion.
Features
ACMD-7401-TR1 features: (1)Miniature size: less than 1.4 mm high, 5 x 5 mm footprint; (2)Rx Band: 1930-1990 MHz typical performance: Rx Noise Blocking: 44 dB Insertion Loss: 2.2 dB typical, 3.0 dB band edge; (3)Tx Band: 1850 -1910 MHz typical performance: Tx Interferer Blocking: 54 dB Insertion Loss: 1.8 dB typical, 2.5 dB band edge; (4)30 dBm Tx Power Handling.
Diagrams

| Image | Part No | Mfg | Description | ![]() |
Pricing (USD) |
Quantity | ||||||||||||
|---|---|---|---|---|---|---|---|---|---|---|---|---|---|---|---|---|---|---|
![]() |
![]() ACMD-7401-TR1 |
![]() Avago Technologies |
![]() RF Transceiver FBAR Duplexer |
![]() Data Sheet |
![]() Negotiable |
|
||||||||||||
| Image | Part No | Mfg | Description | ![]() |
Pricing (USD) |
Quantity | ||||||||||||
![]() |
![]() ACMD-7401 |
![]() Other |
![]() |
![]() Data Sheet |
![]() Negotiable |
|
||||||||||||
![]() |
![]() ACMD-7401-BLK |
![]() Avago Technologies |
![]() RF Transceiver FBAR Duplexer |
![]() Data Sheet |
![]() Negotiable |
|
||||||||||||
![]() |
![]() ACMD-7401-TR1 |
![]() Avago Technologies |
![]() RF Transceiver FBAR Duplexer |
![]() Data Sheet |
![]() Negotiable |
|
||||||||||||
![]() |
![]() ACMD-7402 |
![]() Other |
![]() |
![]() Data Sheet |
![]() Negotiable |
|
||||||||||||
![]() |
![]() ACMD-7402-BLK |
![]() Avago Technologies |
![]() RF Transceiver FBAR Duplexer |
![]() Data Sheet |
![]()
|
|
||||||||||||
![]() |
![]() ACMD-7402-TR1 |
![]() Avago Technologies |
![]() RF Wireless Misc FBAR Duplexer |
![]() Data Sheet |
![]()
|
|
||||||||||||
(Hong Kong)











