Product Summary
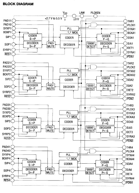
The MSM7581TS-K is an ADPCM transcoder which is used by the new digital cordless system. It converts 64 kbps voice PCM serial data to 32 kbps ITU-T G.721 ADPCM serial data, and vice versa. This device is consists of four systems with full-duplex voice data channels and a data-through mode. The MSM7581TS-K provides cost effective solutions for digital cordless office telephone systems which are incorporated into PABXs, and for the public base stations which are connected to the Central Office through digital PSTNs.
Parametrics
Absolute maximum ratings:(1)VDD Power Supply Voltage: 0 to +7.0 V ; (2)VDIN Digital Input Voltage: –0.3 to VDD + 0.3 V ; (3)TSTG Storage Temperature: –55 to +150 °C ; (4)Special ADPCM Input Data Code (”0000”) Detector for each channel; (5)Master Clock Signal : Not necessary; (6)Power supply voltage/Consumption current :+2.7 V to +5.5 V, 2 mA/channel (max); (7)Package :100-pin plastic TQFP (TQFP100-P-1414-0.50-K).
Features
Features: (1)Conforms to ITU-T G.721; (2)Built-in Full-duplex Transcoder with Four Data Channels; (3)PCM companding Law: A-law/m-law selectable; (4)Serial PCM Data Transmission Speed: 64 kbps to 2048 kbps; (5)Serial ADPCM Data Transmission Speed: 32 kbps to 2048 kbps; (6)Hardware Reset – ITU-T G.721 Optional Reset – for each channel; (7)Power Down Control for each channel; (8)Decoder (ADPCM → PCM ) Mute Mode and PAD Mode for each channel; (9)ADPCM Data-through Mode; (10)Capable of time slot conversion; (11)Special ADPCM Input Data Code (”0000”) Detector for each channel; (12)Master Clock Signal: Not necessary; (13)Power supply voltage/Consumption current :+2.7 V to +5.5 V, 2 mA/channel (max); (14)Package:100-pin plastic TQFP (TQFP100-P-1414-0.50-K).
Diagrams

![]() |
![]() MSM7502 |
![]() Other |
![]() |
![]() Data Sheet |
![]() Negotiable |
|
||||
![]() |
![]() MSM7503 |
![]() Other |
![]() |
![]() Data Sheet |
![]() Negotiable |
|
||||
![]() |
![]() MSM7507-01 |
![]() Other |
![]() |
![]() Data Sheet |
![]() Negotiable |
|
||||
![]() |
![]() MSM7507-02 |
![]() Other |
![]() |
![]() Data Sheet |
![]() Negotiable |
|
||||
![]() |
![]() MSM7507-03 |
![]() Other |
![]() |
![]() Data Sheet |
![]() Negotiable |
|
||||
![]() |
![]() MSM7510 |
![]() Other |
![]() |
![]() Data Sheet |
![]() Negotiable |
|
||||
(Hong Kong)








