Product Summary
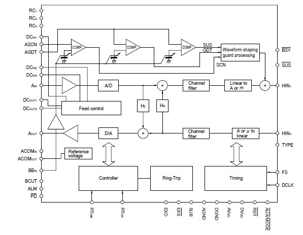
The UPD9993F9-BA3-E2 is a digital CODEC that can be used in analog subscriber circuits such as private branch exchangers (PBXs) and switching equipment for central offices. It features three of the functions required for analog subscriber circuits: 2W/4W conversion, CODEC supervision, and subscriber line supervision. Use of the UPD9993F9-BA3-E2 in combination with a BS-SLIC (UPD9993F9-BA3-E2) can reduce the number of components required in analog subscriber circuits.
Parametrics
UPD9993F9-BA3-E2 absolute maximum ratings: (1)Power supply voltage VDD AVDD, DVDD1, DVDD2: -0.3 to +7.0 V; (2)Analog input voltage VAIN AIN, ASCN, AGDT, ACOMIN, BBIN, DCIN1, DCIN2, and DCIN3 pins: -0.3 to VDD + 0.3V; (3)Digital input voltage VDIN HWR, DCLK, FS, RST, AUX/MODE, RTIN0, and RTIN1 pins: -0.3 to VDD + 0.3V; (4)Applied voltage to analog VAOUT AOUT, DCOUT1, DCOUT2, and ACOMOUT output pin pins: -0.3 to VDD + 0.3V; (5)Applied voltage to digital VDOUT HWX, BSY, SUS, RC1, RC2, RC3, EXS, output pin EXD, BCUT, ALM, PD, and TYPE pins: -0.3 to VDD + 0.3V; (6)Power dissipation PT: 500 mW; (7)Ambient operating temperature TA: 0 to +70 ℃; (8)Storage temperature Tstg: -65 to +150℃.
Features
UPD9993F9-BA3-E2 features: (1)Single-chip monolithic LSI (CMOS); (2)PCM CODEC ® oversampling-type A/D and D/A converters; (3)Termination impedance; (4)Hybrid balance network; (5)Feed resistance; (6)Feed current; (7)PAD control; (8)A-law and m-law; (9)Digital gain set function; (10)Ring-Trip function; (11)Single power supply (+5 V); (12)Low power consumption during standby mode: 20 mW (TYP.).
Diagrams

![]() |
![]() UPD98402A |
![]() Other |
![]() |
![]() Data Sheet |
![]() Negotiable |
|
||||
![]() |
![]() UPD9930 |
![]() Other |
![]() |
![]() Data Sheet |
![]() Negotiable |
|
||||
![]() |
![]() UPD9903 |
![]() Other |
![]() |
![]() Data Sheet |
![]() Negotiable |
|
||||
![]() |
![]() UPD98409 |
![]() Other |
![]() |
![]() Data Sheet |
![]() Negotiable |
|
||||
![]() |
![]() UPD98405 |
![]() Other |
![]() |
![]() Data Sheet |
![]() Negotiable |
|
||||
![]() |
![]() UPD98404 |
![]() Other |
![]() |
![]() Data Sheet |
![]() Negotiable |
|
||||
(Hong Kong)








