Product Summary
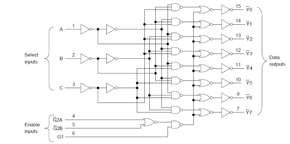
The TC74AC138F is an advanced high speed CMOS 3-to-8 LINE DECODER fabricated with silicon gate and double-layer metal wiring C2MOS technology. The TC74AC138F achieves the high speed operation similar to equivalent Bipolar Schottky TTL while maintaining the CMOS low power dissipation. When the TC74AC138F is enabled, 3 Binary Select inputs (A, B and C) determine which one of the outputs ( Y0 - Y7 ) will go low. When enable input G1 is held low or either G2A or G2B is held high, decoding function is inhibited and all outputs go high. G1, G2A , and G2B inputs are provided to ease cascade connection and for use as an address decoder for memory systems.
Parametrics
TC74AC138F absolute maximum ratings: (1)Supply voltage range VCC: -0.5 to 7.0 V; (2)DC input voltage VIN: -0.5 to VCC + 0.5 V; (3)DC output voltage VOUT: -0.5 to VCC + 0.5 V; (4)Input diode current IIK: ±20 mA; (5)Output diode current IOK: ±50 mA; (6)DC output current IOUT: ±50 mA; (7)DC VCC/ground current ICC: ±200 mA; (8)Power dissipation PD 500 (DIP): 180mW; (9)Storage temperature Tstg: -65 to 150 ℃.
Features
TC74AC138F features: (1)High speed: tpd = 5.9 ns (typ.)at VCC = 5 V; (2)Low power dissipation: ICC = 8 μA (max)at Ta = 25℃; (3)High noise immunity: VNIH = VNIL = 28% VCC (min); (4)Symmetrical output impedance: |IOH| = IOL = 24 mA (min)Capability of driving 50 Ω, transmission lines; (5)Balanced propagation delays: tpLH ∼ tpHL; (6)Wide operating voltage range: VCC (opr)= 2 to 5.5 V; (7)Pin and function compatible with 74F138.
Diagrams

| Image | Part No | Mfg | Description | ![]() |
Pricing (USD) |
Quantity | ||||||
|---|---|---|---|---|---|---|---|---|---|---|---|---|
![]() |
![]() TC74AC138FN(ELP) |
![]() |
![]() IC DECODER 3-TO-8 LINE 16-SOL |
![]() Data Sheet |
![]()
|
|
||||||
![]() |
![]() TC74AC138FN |
![]() |
![]() IC DECODER 3-TO-8 LINE 16-SOL |
![]() Data Sheet |
![]()
|
|
||||||
![]() |
![]() TC74AC138F |
![]() Other |
![]() |
![]() Data Sheet |
![]() Negotiable |
|
||||||
(Hong Kong)










