Product Summary
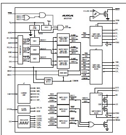
The MAX17480GTL+T is a triple-output, step-down, fixedfrequency controller for AMD serial VID interface (SVI) CPU and northbridge (NB) core supplies. The MAX17480GTL+T consists of two high-current SMPSs for the CPU cores and one 4A internal switch SMPS for the NB core. The two CPU core SMPSs run 180° out-of-phase for true interleaved operation, minimizing input capacitance. The 4A internal switch SMPS runs at twice the switching frequency of the core SMPS, reducing the size of the external components. The MAX17480GTL+T is fully AMD SVI compliant. Output voltages are dynamically changed through a 2-wire SVI, allowing the SMPSs to be individually programmed to different voltages. A slew-rate controller allows controlled transitions between VID codes and controlled soft-start. SVI also allows each SMPS to be individually set into a low-power pulse-skipping state.
Parametrics
MAX17480GTL+T absolute maximum ratings: (1)PWRGD to AGND: -0.3V to +6V; (2)SHDN to AGND : -0.3V to +6V; (3)GNDS1, GNDS2, THRM, VRHOT to AGND: -0.3V to +6V; (4)CSP_, CSN_, ILIM12 to AGND : -0.3V to +6V; (5)SVC, SVD, PGD_IN to AGND : -0.3V to +6V; (6)FBDC_, FBAC_, OUT3 to AGND : -0.3V to +6V; (7)OSC, TIME, OPTION, ILIM3 to AGND: -0.3V to (VCC + 0.3V); (8)BST1, BST2 to AGND: -0.3V to +36V; (9)BST1, BST2 to VDD: -0.3V to +30V; (10)BST3 to AGND: (VDD - 0.3V)to (VLX3 + 6V); (11)LX1 to BST1: -6V to +0.3V; (12)LX3 RMS Current (Note 2): ±4A.
Features
MAX17480GTL+T features: (1) Dual-Output Fixed-Frequency Core Supply Controller; (2) 4A Internal Switch Northbridge SMPS; (3)±0.5% VOUT Accuracy over Line, Load, and Temperature; (4) Integrated Boost Switches; (5) Adjustable Slew-Rate Control; (6) Power-Good (PWRGD)and Thermal-Fault (VRHOT)Outputs; (7) System Power-OK (PGD_IN)Input; (8) Overvoltage, Undervoltage, and Thermal-Fault Protection; (9) Voltage Soft-Startup and Passive Shutdown; (10) < 1uA Typical Shutdown Current.
Diagrams

| Image | Part No | Mfg | Description | ![]() |
Pricing (USD) |
Quantity | ||||||||||||
|---|---|---|---|---|---|---|---|---|---|---|---|---|---|---|---|---|---|---|
![]() |
![]() MAX17480GTL+T |
![]() Maxim Integrated Products |
![]() Display Drivers & Controllers 2-/3-Output Mobile erial VID Ctlr |
![]() Data Sheet |
![]()
|
|
||||||||||||
| Image | Part No | Mfg | Description | ![]() |
Pricing (USD) |
Quantity | ||||||||||||
![]() |
![]() MAX10 |
![]() Aavid Thermalloy |
![]() Heat Sinks 39.85 N (8.96 lbs) |
![]() Data Sheet |
![]() Negotiable |
|
||||||||||||
![]() |
![]() MAX100 |
![]() Other |
![]() |
![]() Data Sheet |
![]() Negotiable |
|
||||||||||||
![]() |
![]() MAX1002 |
![]() Other |
![]() |
![]() Data Sheet |
![]() Negotiable |
|
||||||||||||
![]() |
![]() MAX1002CAX |
![]() Maxim Integrated Products |
![]() ADC (A/D Converters) |
![]() Data Sheet |
![]() Negotiable |
|
||||||||||||
![]() |
![]() MAX1002CAX+ |
![]() Maxim Integrated Products |
![]() ADC (A/D Converters) Low-Power 60Msps Dual 6-Bit |
![]() Data Sheet |
![]()
|
|
||||||||||||
![]() |
![]() MAX1002CAX+T |
![]() Maxim Integrated Products |
![]() ADC (A/D Converters) Low-Power 60Msps Dual 6-Bit |
![]() Data Sheet |
![]()
|
|
||||||||||||
(Hong Kong)










