Product Summary
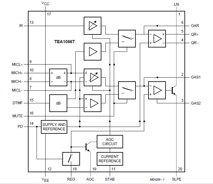
The TEA1066T is a versatile telephone transmission circuit that performs all speech and line interface functions required in fully electronic telephone sets. The TEA1066T performs electronic switching between dialling and speech.
Parametrics
TEA1066T absolute maximum ratings: (1)VLN positive continuous line voltage: 12 V; (2)VLN(R)repetitive line voltage during switch-on or line interruption: 13.2 V; (3)VLN(RM)repetitive peak line voltage for a 1 ms pulse per 5 s R9 = 20 W; R10 = 13 W: 28 V; (4)Iline line current R9 = 20 W: 140 mA; (5)Vn voltage on any other pin: VEE - 0.7 to VCC + 0.7 V; (6)Ptot total power dissipation R9 = 20 W: 555 mW; (7)Tstg IC storage temperature: -40 to +125 ℃; (8)Tamb operating ambient temperature: -25 to +75 ℃; (9)Tj junction temperature: 125 ℃.
Features
TEA1066T features: (1)Voltage regulator with adjustable static resistance; (2)Provides supply for external circuitry; (3)Symmetrical low-impedance inputs for dynamic and magnetic microphones; (4)Symmetrical high-impedance inputs for piezoelectric microphone; (5)Asymmetrical high-impedance input for electret microphone; (6)Dual-tone multi-frequency (DTMF)signal input with confidence tone; (7)Mute input for pulse or DTMF dialling; (8)Power down input for pulse dial or register recall; (9)Receiving amplifier for magnetic, dynamic or piezoelectric earpieces; (10)Large gain setting range on microphone and earpiece amplifiers; (11)Line loss compensation facility, line current dependent (microphone and earpiece amplifiers); (12)Gain control adaptable to exchange supply; (13)DC line voltage adjustment facility.
Diagrams

| Image | Part No | Mfg | Description | ![]() |
Pricing (USD) |
Quantity | ||||
|---|---|---|---|---|---|---|---|---|---|---|
![]() |
![]() TEA1066T |
![]() Other |
![]() |
![]() Data Sheet |
![]() Negotiable |
|
||||
| Image | Part No | Mfg | Description | ![]() |
Pricing (USD) |
Quantity | ||||
![]() |
![]() TEA1007 |
![]() Other |
![]() |
![]() Data Sheet |
![]() Negotiable |
|
||||
![]() |
![]() TEA100M1CBK-0512P |
![]() Lelon |
![]() Aluminum Electrolytic Capacitors - Leaded 16V 10uF 20% |
![]() Data Sheet |
![]() Negotiable |
|
||||
![]() |
![]() TEA100M1CTR-0512P |
![]() Lelon |
![]() Aluminum Electrolytic Capacitors - Leaded 16V 10uF 20% |
![]() Data Sheet |
![]() Negotiable |
|
||||
![]() |
![]() TEA100M1EBK-0512P |
![]() Lelon |
![]() Aluminum Electrolytic Capacitors - Leaded 25V 10uF 20% |
![]() Data Sheet |
![]() Negotiable |
|
||||
![]() |
![]() TEA100M1ETR-0512P |
![]() Lelon |
![]() Aluminum Electrolytic Capacitors - Leaded 25V 10uF 20% |
![]() Data Sheet |
![]() Negotiable |
|
||||
![]() |
![]() TEA100M1HBK-0512P |
![]() Lelon |
![]() Aluminum Electrolytic Capacitors - Leaded 50V 10uF 20% |
![]() Data Sheet |
![]() Negotiable |
|
||||
(Hong Kong)










