Product Summary
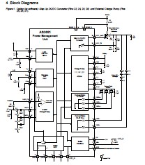
The AS3687 is a highly integrated, ultra flexible CMOS Power and Lighting Management Unit to supply power to LCD and camera modules in mobile telephones, and other 1 cell Li+ or 3 cell NIMH powered devices. The AS3687 incorporates one low power, low dropout regulator (LDO), one Step Up DC/DC Converter for white backlight LEDs, one high power Charge Pump for camera flash LEDs, one Analog to Digital Converter, support for up to 11 current sinks, a serial interface, and control logic all onto a single die.
Parametrics
AS3687 absolute maximum ratings: (1)VIN_LV 3.3V Pins: -0.3, 5.0 V Applicable for 3.3V pins V2_5; DCDC_SNS; (2)IIN Input Pin Current: -25, +25 mA At 25℃, Norm: JEDEC 17; (3)Tstrg Storage Temperature Range: -55, 125 °C; (4)Humidity: 5, 85 % Non-condensing; (5)VCDM Norm: JEDEC JESD 22-A115-A level A: -500, 500 V; (6)Pt Total Power Dissipation: 0.75 W TA = 70 ℃, Tjunc_max = 125℃.
Features
AS3687 features (1) Standby LDO: Regulated 2.5V, Maximum Output Current 10mA, Always On (Supplies Internal Digital Blocks), 3uA Quiescent Current; (2) Wide Battery Supply Range: 3.0 to 5.5V; (3) Serial Interface Control; (4) On Chip Bandgap Tuning for High Accuracy (±1%); (5) Overcurrent and Thermal Protection; (6) 32 Pin, Small Form Factor QFN Package (5 x 5 x 1mm, 0.5mm pitch), Enhanced Thermal Characteristics; (7) 1 Watt Power Dissipation @ TAmbient = 70℃.
Diagrams

| Image | Part No | Mfg | Description | ![]() |
Pricing (USD) |
Quantity | ||||
|---|---|---|---|---|---|---|---|---|---|---|
![]() |
![]() AS3687XM |
![]() Other |
![]() |
![]() Data Sheet |
![]() Negotiable |
|
||||
![]() |
![]() AS3687 |
![]() Other |
![]() |
![]() Data Sheet |
![]() Negotiable |
|
||||
(Hong Kong)









