Product Summary
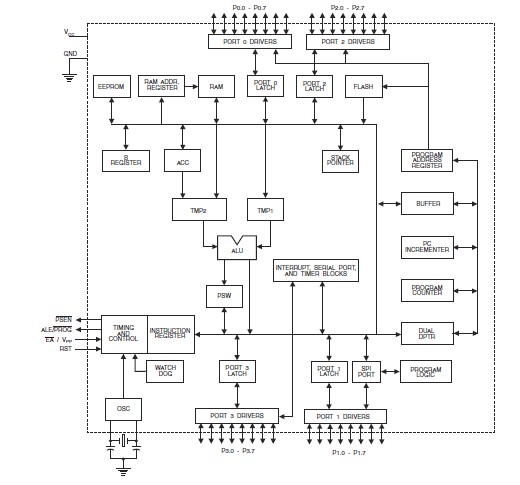
The AT89S8253-24JU is a low-power, high-performance CMOS 8-bit microcontroller with 12K bytes of In-System Programmable (ISP) Flash program memory and 2K bytes of EEPROM data memory. The AT89S8253-24JU is manufactured using Atmels high-density nonvolatile memory technology and is compatible with the industry-standard MCS-51 instruction set and pinout. The on-chip downloadable Flash allows the program memory to be reprogrammed in-system through an SPI serial interface or by a conventional nonvolatile memory programmer. By combining a versatile 8-bit CPU with downloadable Flash on a monolithic chip, the AT89S8253-24JU is a powerful microcontroller which provides a highly-flexible and cost-effective solution to many embedded control applications.
Parametrics
AT89S8253-24JU absolute maximum ratings: (1)Operating Temperature: -55℃ to +125℃; (2)Storage Temperature : -65℃ to +150℃; (3)Voltage on Any Pin with Respect to Ground : -1.0V to +7.0V; (4)Maximum Operating Voltage : 6.6V; (5)DC Output Current: 15.0 mA.
Features
AT89S8253-24JU features: (1)64-byte User Signature Array; (2)2.7V to 5.5V Operating Range; (3)Fully Static Operation: 0 Hz to 24 MHz; (4)Three-level Program Memory Lock; (5)256 x 8-bit Internal RAM; (6)32 Programmable I/O Lines; (7)Three 16-bit Timer/Counters; (8)Nine Interrupt Sources; (9)Enhanced UART Serial Port with Framing Error Detection and Automatic Address Recognition; (10)Enhanced SPI (Double Write/Read Buffered)Serial Interface; (11)Low-power Idle and Power-down Modes; (12)Interrupt Recovery from Power-down Mode; (13)Programmable Watchdog Timer; (14)Dual Data Pointer; (15)Power-off Flag.
Diagrams

| Image | Part No | Mfg | Description | ![]() |
Pricing (USD) |
Quantity | ||||||||||||
|---|---|---|---|---|---|---|---|---|---|---|---|---|---|---|---|---|---|---|
![]() |
![]() AT89S8253-24JU |
![]() Atmel |
![]() 8-bit Microcontrollers (MCU) 12kB Flash 256B RAM 2.7V-5.5V |
![]() Data Sheet |
![]()
|
|
||||||||||||
| Image | Part No | Mfg | Description | ![]() |
Pricing (USD) |
Quantity | ||||||||||||
![]() |
![]() AT8934 |
![]() TE Connectivity |
![]() General Purpose / Industrial Relays SEALED R RELAY |
![]() Data Sheet |
![]()
|
|
||||||||||||
![]() |
![]() AT8985P |
![]() Other |
![]() |
![]() Data Sheet |
![]() Negotiable |
|
||||||||||||
![]() |
![]() AT8989UP |
![]() Other |
![]() |
![]() Data Sheet |
![]() Negotiable |
|
||||||||||||
![]() |
![]() AT8992-A2-T-1 |
![]() |
![]() IC SWITCH PHY 64-TQFP |
![]() Data Sheet |
![]() Negotiable |
|
||||||||||||
![]() |
![]() AT8992M-A2-T-1 |
![]() |
![]() IC SWITCH PHY 100-MQFP |
![]() Data Sheet |
![]() Negotiable |
|
||||||||||||
![]() |
![]() AT8993-A2-T-1 |
![]() |
![]() IC SWITCH PHY 100-MQFP |
![]() Data Sheet |
![]() Negotiable |
|
||||||||||||
(Hong Kong)










